A2H Otomotiv röleA2H

A2H Otomotiv röle

A2H

Ürün Açıklaması

A2H

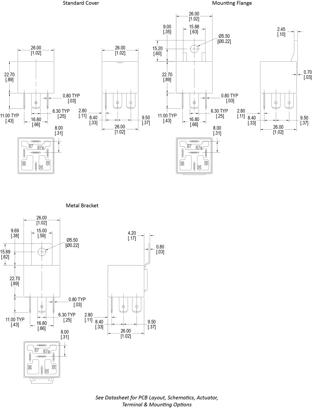
Low temperature rise is the hallmark of the the A2H Series. Available with switching capacity up to 50A and coil voltage of 12VDC or 24VDC. This ruggedly constructed automotive relay offers coil power of 1.6W with contact ratings choice of 1A or 1C. The A2H Series dimensions are 26.0 x 26.0 x 22.7mm.

Features

Large Switching Capacity up to 50A, PC Pin and Quick Connect Mounting, Low Temp Rise at Full Load, Two Style Mounting Flange Options